What Are You Looking For?
2Fold Undermount Slide Steel Easy Install With Adjustable Part
Item NO.:
UM-2C01Material:
Galvanized SteelThickness:
1.5*1.5mmWood Board Thickness:
16/18mmLength:
250-550mmLoading Capacity:
25KgsPacking:
10 Sets / CartonProduct Description
|
Heavy-Duty Steel with Soft-Close:Made from high-grade cold-rolled steel with zinc plating for durability and corrosion resistance. Built-in soft-close ensures quiet, gentle drawer closing, preventing slams and enhancing safety.
Stable Single Extension:Reinforced design provides smooth, wobble-free operation during partial extension, keeping drawers aligned and protecting fronts from scraping.
Concealed Undermount Design:Bottom-mounted and fully hidden hardware creates a clean, modern look while maximizing usable drawer space.
Versatile Application:Suitable for kitchen, bathroom, office, and storage furniture, delivering reliable performance across furniture systems. |
|
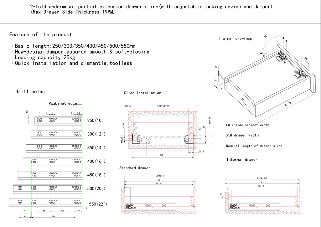
Product Drawing
This drawing provides a full overview of the mounting positions and product dimensions, making installation easier and more accurate.
*For customized sizes, OEM and ODM service is available.

Product Application
Ideal for all types of Living room, Bedroom, Kitchen, Bathroom.
Designed for smooth movement, strong durability and everyday convenience.
The advanced Nickel Plated finish ensures the hinge remains rust-free even in humid environments.

Quality Control & Testing
"Details Make a Difference" - Our Rigorous QC Process At FORMOR, quality isn't just a promise; it's a process verified by data.
Salt Spray Test: 48hours verified resistance to corrosion.
Cycle Testing: Proven to withstand 50,000+ open/close cycles.
Inspection: 100% standard product inspection before packaging to determine the ultimate feeling of use.

OEM & ODM Service
1. Product Logo Customization
We offer laser marking, stamping logo options to match your branding needs.
Customized logo solutions are available for undermount slide, drawer systems, and other hardware products.
2. Outer Carton Customization
Cartons can be customized with your logo, color, labeling, and packaging specifications.
We support OEM carton design to ensure safe shipping and a premium brand presentation.
3. Color Polybag / Logo Polybag / Blister / Paper Cover Customization
Color Polybag / Logo Polybag / Blister / Paper Cover can be customized with your logo, labeling, and packaging specifications.
We support OEM carton design to ensure safe shipping and a premium brand presentation.
4. Mould Customization
We can develop new moulds based on your drawings or samples.
Our engineering team supports structural adjustments, prototype verification, and full OEM customization for undermount slide.
5. Load Capacity Customization
We provide different load capacity options: 25kg / 30kg / 35kg / Heavy-duty.
Optimized rail thickness and structure for different drawer widths and materials
6. Function Customization
We provide full and partial extension options, soft closing, push to open, soft close + push open combinations,
and 1D / 2D / 3D adjustability—designed to match different user experiences and price positioning.

FAQ
Q:What types of undermount slides do you offer?
A: We offer soft close, push-to-open, standard, full extension, and partial extension undermount slides.
Q: Are undermount slides suitable for high-frequency use?
A: Yes, they are designed for repeated daily operation.
Q: Are left-hand and right-hand slides required?
A: Yes, undermount slides are supplied as left and right pairs.
Q: Do you offer OEM and ODM services?
A: Yes, we support OEM and ODM including branding and packaging.
Leave A Message
Scan to wechat :